便裝式開關電源400W
電源類型:AC/DC開關電源
規格型號:ZAS-400-48
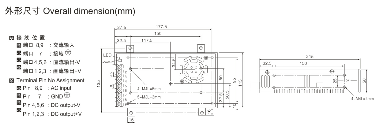
電源尺寸:215mmx115mmx50mm
輸入電壓:170-265VAC或210-370VDC
輸出電壓:DC5V,12V,24V,15V,48V,110V
輸出功率:400W

電源類型:AC/DC開關電源
規格型號:ZAS-400-48
電源尺寸:215mmx115mmx50mm
輸入電壓:170-265VAC或210-370VDC
輸出電壓:DC5V,12V,24V,15V,48V,110V
輸出功率:400W
| 型號 | ZAS-400-5 | ZAS-400-12 | ZAS-400-24 | ZAS-400-48 |
| 直流輸出電壓、電流 | 5V 0~60A | 12V 0~33A | 24V 0~16.5A | 48V 0~8.3A |
| 紋波及噪音 | 100mVp-p | 150mVp-p | 150mVp-p | 200mVp-p |
| 進線穩定度 | ±0.5% | ±0.5% | ±0.5% | ±0.5% |
| 負載穩定度 | ±1% | ±0.5% | ±0.5% | ±0.5% |
| 效率 | 73% | 74% | 81% | 83% |
| 直流電壓可調范圍 | ±10% | ±10% | ±10% | ±10% |
| 輸入電壓范圍 | 90~132VAC/180~264VAC 由開關切換 254~370VDC 47~63Hz | |||
| 沖擊電流 | 冷啟動電流 25A/115VAC 50A/230VAC | |||
| 過載保護 | 105%~135%切斷輸出,自動恢復 | |||
| 過電壓保護 | 115%~150%關閉輸出,電源重啟后可恢復輸出 | |||
| 啟動、上升、保持時間 | 200ms, 100ms, 30ms/230VAC 滿負載 | |||
| 耐壓性 | 輸入輸出間:1.5kV 輸入與外殼間:1.5kV 輸出與外殼間:0.5kV 一分鐘 | |||
| 隔離電阻 | 輸入輸出間 輸入與外殼間 輸出與外殼間:500VDC/100M | |||
| 工作溫度 | -10℃~+50℃ | |||
| 尺寸 | 215×115×50mm | |||
| 重量 | 1.1kg | |||
| 包裝 | 45.5×31.5×26CM/20PCS/22kg | |||
